Setec TPI – France

Office building in Paris

Building use

Office building

Country/Region

France

Overview

The tower, 140 meters in height, is built on a very difficult lot in La Defense, Paris’ business district. The building rises above a 7 lane highway, and can thus be seen as a bridge-building. Because of this unique position the building has an off-centered core, sitting on one of the long sides of the tower, with the car lanes passing underneath on both sides.


Basic information (construction date, number of stories, gross floor area, adopted design code, engineer(s), Contractor(s), etc.)

Construction date: 2016-2020
Number of stories: 32
Gross floor area: 49,000m2
Adopted design code: Eurocode
Engineer(s): Setec TPI (engineering) – Cro&co (architecture)
Contractor(s): BATEG


Issue and/or innovation

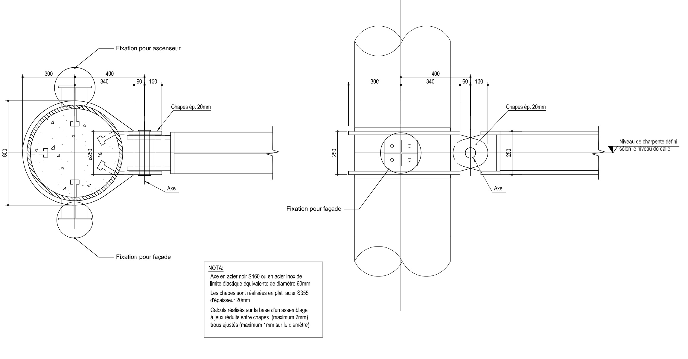
The columns have to span, without supports, through the 140 meters of the tower, providing at the same time stability for the façade and for the elevators, that need to have a stable support to meet the comfort and safety requirements of the travelling cars. The columns are thus braced against lateral movement by the diamond-shaped steel structure that separates the two banks of lift, but they have to carry the vertical loads through the foundations.


Reason for composite solution

The use of steel filled with concrete profiles for the panoramic lift shaft is driven by fire regulations. The steel posts act as permanent formwork, ensuring compliance with safety standards.


Specific solution/technical details

The adopted solution consists in a steel pipe filled with concrete with shear studs welded inside the pipe. The pipe is forms by S460 steel, 20mm thick and filled with C30/37 concrete. At each story of the tower the column is circled by a ring that connects the bracing system on one side, the connection for the façade on another side and, opposite to this, the connecting element for the elevator drive systems


Impact or effectiveness

This choice maintains a consistent architectural aesthetic between the horizontal and vertical structural elements throughout the panoramic structure. The use of concrete filled tubes does not necessitate a fire protection for the thin columns, also providing the required inertia against vibrations.


Supplementary documents

Supplementary document - 1 Supplementary document - 2 Supplementary document - 3 Supplementary document - 4 Supplementary document - 5

Categories

Building, Column

constructsteel is not liable for the solutions and products displayed. The companies/solutions providers are solely responsible for the information provided.

All images on this page are used with permission or believed to be in the public domain. If you believe any image infringes your copyright, please contact us at constructsteel@worldsteel.org for prompt resolution.

To upload a product, click here

To view FAQ's, click here